Palăng chạy bằng khí nén (tời khí) của công ty Full-Sharp nhập khẩu tại Nhật Bản dùng để xếp dỡ, vận chuyển hàng hóa qua thao tác nhấn nút để điều chỉnh vận hành thiết bị từ tốc độ cao đến tốc độ thấp. Được vận hàng bằng điều khiển :

Các dạng điều khiển Palăng
Ứng dụng:
- Bốc xếp hàng hóa như hành lý và đồ gá
- Bốc xếp vật liệu ở những khu vực xử lý vật liệu nguy hiểm
Ưu điểm của tời kéo khí:
- Thiết kế nhỏ gọn và nhẹ
- Thể hiện sức mạnh vượt trội cho công việc đòi hỏi tốc độ
- Vì sử dụng khí nên nó có thể được sử dụng ở những nơi có khả năng bắt lửa cao, chẳng hạn như các nhà máy hóa chất.
Các loại Palăng khí nén:
1. Palăng khí nén loại dây


Palăng di chuyển móc tải trọng từ 160 - 250 kg


Palăng di chuyển móc/ thân tải trọng từ 60 - 120 kg
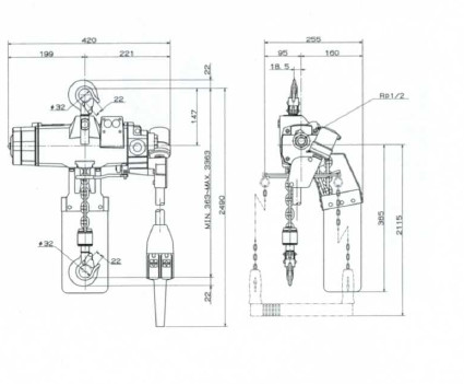
2. Palăng khí nén loại xích


Pa lăng xích tải trọng 60-125 kg

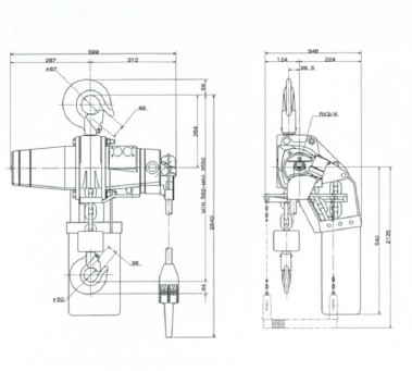
Pa lăng xích tải trọng 1/4 - 1/2 tấn


Pa lăng xích tải trọng 980kg - 1 tấn


Pa lăng xích tải trọng 1 tấn


Pa lăng xích tải trọng 2 tấn


Pa lăng xích tải trọng 3 tấn


Pa lăng xích tải trọng 6 tấn
3. Xe đẩy động cơ khí nén

Xe đẩy động cơ khí nén dung tích 1 tấn


Xe đẩy động cơ khí nén dung tích 2 tấn


Xe đẩy động cơ khí nén dung tích 6,3 tấn
